工作时间
早9:00 - 晚18:00
周六日休息
发布日期:2026-3-26 17:30:16 访问次数:110
IDP 泵具有密封设计,电机和轴承与真空环路完全隔离,延长了轴承的使用寿命,并提供洁净、无油的真空条件。IDP 泵采用单面涡轮设计,可在 15 分钟内完成维护操作。可选的集成式隔离阀防止意外污染,并且不会额外增加泵的高度。




噪音水平
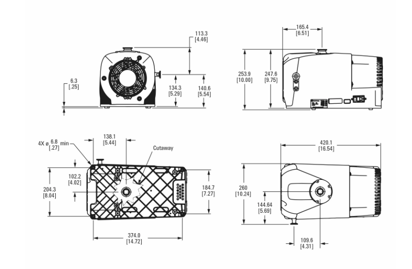
宽度
尺寸(宽 x 高 x 长)
抽速 (50 Hz)
抽速 (60 Hz)
排气口连接
操作环境温度
最大进气口压力
极限压力 (50 Hz) — Torr 和 mbar
极限压力 (60 Hz) — Torr 和 mbar
输入电压
运输重量
进样口连接
重量(只有泵时)
长度
高度
上一产品:日本岩田漩涡真空泵ISP-500C